海灣J-SAM-GST9122手動火災報警按鈕
海灣J-SAM-GST9122 手動火災報警按鈕安裝在公共場所,本報警按鈕含電話插孔。當人工確認發生
火災后,按下報警按鈕上的按片,即可向控制器發出報警信號,控制器接收到報警信號后,將顯示
出報警按鈕的編碼信息并發出報警聲響,將消防電話分機插入電話插孔即可與電話主機通訊。
一、海灣J-SAM-GST9122 手動火災報警按鈕主要具有以下特點:
(1)采用拔插式結構設計,安裝簡單方便,按鈕上的按片在按下后可用專用工具復位。
(2)按下報警按鈕按片,可由報警按鈕提供獨立輸出觸點,可直接控制其它外部設備。
(3)采用微處理器實現信號處理,用數字信號與控制器進行通信,工作穩定可靠,對電磁干擾
有良好的抑制能力。
(4)地址碼為電子編碼,可現場改寫。
二、海灣J-SAM-GST9122 手動火災報警按鈕主要技術指標
(1)工作電壓:總線24V
(2)監視電流≤0.6mA
(3)報警電流≤1.8mA
(4)線制:與控制器采用無極性信號二總線連接,與GST-LD-8304 采用二線制連接
(5)額定DC30V/100mA 無源輸出觸點信號,接觸電阻≤0.1Ω
(6)使用環境:
溫度:-10℃~+55℃
相對濕度≤95%,不結露
(7)外殼防護等級:IP43
(8)外形尺寸:
95.4mm×98.4mm×45.5mm(帶底殼)
1.3.3 結構特征、安裝與布線
三、海灣J-SAM-GST9122 手動火災報警按鈕外形示意圖如圖2- 6

四、海灣J-SAM-GST9122 手動火災報警按鈕的外接端子示意圖如圖2- 7

其中:
Z1、Z2:報警控制器來的信號總線,無極性。
K1、K2:額定DC30V/100mA 無源輸出端子,當報警按鈕按下時,輸出觸點閉合信號,可直接控
制外部設備。
TL1、TL2:與GST-LD-8304 連接的端子。
布線要求:信號Z1、Z2 采用阻燃RVS 雙絞線,截面積≥1.0mm2;消防電話線TL1、TL2 采用阻
燃RVVP 屏蔽線,截面積≥1.0mm2。
1.3.4 應用方法
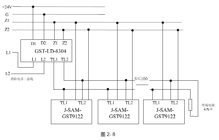
作為手動火災報警按鈕使用時,將報警按鈕的Z1、Z2 端子直接接入火災報警控制器總線上即
可。作為手動火災報警按鈕及消防電話插孔使用時,將報警按鈕的Z1、Z2 端子直接接入火災報警控
制器總線上,同時將報警按鈕的TL1、TL2 端子與GST-LD-8304 消防電話模塊連接,具體見圖2- 8
所示(***末端報警按鈕的TL1、TL2 接線端子接4.7kΩ終端電阻)。

同類文章排行
- 消防工程施工中建筑物的耐火等級防火分區、防火間距及疏散出口知識點
- 億杰消防工程通過標準化流程與規范管理提高消防工程質量
- 北京海淀區賓館消電檢,賓館年度消電檢測報告多少錢一次
- 超市消防維保不可忽視:發現隱患及時處理,讓消防安全無憂
- 服裝店使用無消防資質的公司施工消防會有哪些后果
- 消防檢查從容應對術:從維保細節到自信迎檢,酒店安全無憂新策略
- 超市消防改造施工必須符合哪些規范,施工中的要點有哪些?
- 消防檢查不合格,消防維保公司有責任嗎?
- 消防設施維護維修全攻略:北京維保公司的服務內容與標準
- 新改造的酒店消防工程,需要做消電檢嗎?






